CNAPV生产的<CNAH型>户用光伏系统是新能源发电系统中新一代的专用电源,它主要针对新能源发电系统的特点和要求设 计制造,适合光伏发电系统对供电设备高质量、高可靠性电源供给的要求,是结合目前市场需求而设计的小功率电源,集太 阳能充放电控制、逆变控制功能和蓄电池箱为一体,具有控制设计先进、保护功能完善、操作使用人性化设计、结构简单、 运行可靠等特点。 1、外观图
正面 
背面

内部 
2、安装支架示意图 
3、使用范围
本电源针对新能源发电系统的特点设计制造,主要应用于太阳能发电和交通、家庭小功率电源设备如:高速摄像机、交通警
示灯,节能灯、收录机、电视等电源供给。 4、特点 本电源除具有太阳能发电优点外,还具有以下特点: ☆高可靠性 :本电源广泛适用于无电、缺电地区、牧区、岛屿、边防哨所等地区(不受昼夜温差大、高海拔地区空气
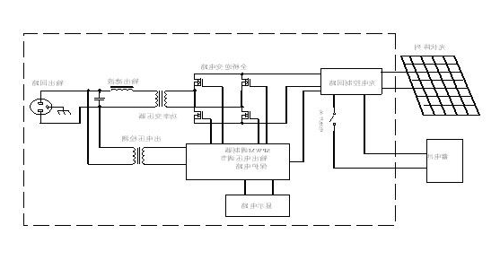
稀薄而引起的散热、绝缘以及远途运输等问题的影响),电源故障率低,保养维修方便简单,具有很高的可靠性。 ☆高效率:本电源具有较高的逆变效率和系统配置效率,以及较好的投资回报率。 ☆工频逆变技术:是将较低的直流电压(蓄电池),经脉宽调制后,利用工频变压器直接升压再经滤波后得到所需的 ☆交流220V。,具有负载能力强、元器件不易损坏等优点,特别适合无电偏远地区及要求极高的地区使用。 ☆高压与低压的隔离:由于逆变电源的高压与低压是完全隔离的,并且有1500V的耐压,在任何情况下,人体接触低压 部分都是安全的。 5、系统原理图框图

6、主要技术指标(可定制) 技术指标 | CNAH12-300 | CNAH24-500 | CNAH24-1000 | 直流输入 | 输入额定电压 | 12VDC | 24VDC | 24VDC | 输入额定电压允许范围 | 11.0~15VDC | 21.5~29VDC | 21.5~29VDC | 输入额定电流 | 25A | 20.8A | 41.7A | 交流输出 | 输出额定容量 | 300VA | 500VA | 1000VA | 输出额定功率 | 240W | 400W | 800W | 输出额定电压 | 220VAC | 输出额定电流 | 1.1A | 1.8A | 3.6A | 输出波形 | 正弦波 | 输出额定电压频率 | 50Hz | 输出电压精度 | 220V±10% | 输出频率精度 | 50±0.1Hz | 过载能力 | 110% 3.5分钟;125% 1分钟;150% 10秒 | 功率因数(PF) | 0.8 | 逆变效率 | ≥80% | ≥85% | ≥85% | 环境 | 噪音(1米并且满载) | <30ab | <50db | <50db | 使用环境温度 | -30℃~45℃ | 使用海拔 | ≤5000m | 湿度 | 0~90%,不结露 | 智能控制 | 过压保护 | ≥17VDC | ≥34VDC | ≥34VDC | 过温保护 | ≥85℃ | 高压(HDV)充电断开电压 | 14.3±0.2VDC | 28.6±0.3VDC | 28.6±0.3VDC | 高压(HDV)恢复充电电压 | 13.2±0.2VDC | 26.4±0.3VDC | 26.4±0.3VDC | 低压(LVD)断开电压 | 10.8±0.3VDC | 21.6±0.3VDC | 21.6±0.3VDC | 充电电压(PWM方式) | 14.4±0.1VDC | 29±0.1VDC | 29±0.1VDC | 充电返回电压 | 13.2VDC | 26.5VDC | 26.5VDC | 温度补偿 | -5mV/℃/2V(提升.直充.浮充.充电返回电压补偿) | 充电电流 | 10A | 20A | 20A | 欠压恢复供电电压 | 13.4±0.1VDC | 26.7±0.3VDC | 26.7±0.3VDC | 外形尺寸(宽×深×高)mm3 | 380X300X530 | 580X440X570 | 580X440X570 |
7、保护功能 ☆ 防反接保护:<USH系列>电源设计了真正的防反接保护电路,即使用户在不小心的情况下(无论开机还是关机),反接了蓄电池或是太阳能组件,都不会对逆变电源造成任何损坏。 ☆ 短路保护:负载在任何情况下的短路都不会损坏逆变电源(空载、满载、过载或电器损坏时的长时间短路等)。 ☆ 过载保护:若用户不知情的情况下,增加了电气设备使逆变电源过载,电源都能及时反映并报警,最后停止输出,只有减轻负载,逆变电源才会正常工作。从而保护了逆变电源因过载而损坏。 ☆ 欠压保护:设备的欠压保护可充分保护蓄电池因过放电而损坏。 ☆ 温度控制:由于特殊的地理环境,温度对逆变电源有非常大的影响。该设备对温度实行控制,使逆变电源工作在最佳状态。 ☆ 自动恢复功能:USH逆变电源具有自动欠压保护功能;当太阳能组件发出的电能将蓄电池充到额定电压时,逆变电源自动恢复工作,输出220V电压供负载使用。 ☆ 充电控制:该充电控制器采用PWM技术,能将99.9%的光伏电能充至蓄电池。通过直充和脉冲限压的自动控制方式使系统充电更稳定、可靠,具有更长的使用寿命,同时还具有温度补偿功能;因此最大程度提高了光伏电能的利用率。并且具有蓄电池和太阳能电池防反接;蓄电池防过充、过放等保护。 |